- Current Location:Home
- Product Center
- Product Screening
- Product Details
GXA539
1 Basic Performance
• Directly replace xCA9535/9539/9555
• Power supply voltage: 1.6V~5.5V
• Working temperature: -55 ° C~+125 ° C
• Standby current: 0.5 μ A
• Can directly drive LED
• Interrupt pin for open drain output
2 Application Scenarios
• Server
• Communication cabinet
• Industrial automation equipment
• Products with limited number of GPIO processors
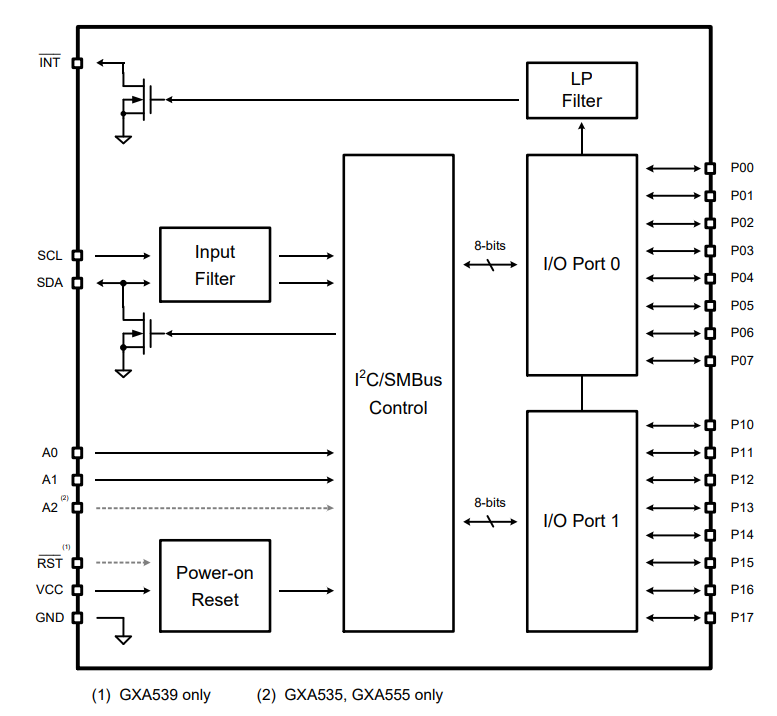
3 . Description
The GXA535 series is used to expand general-purpose input/output ports (GPIO). Port data is transmitted through the standard two-wire I2C protocol, which can support a maximum communication rate of 1MHz (up to 2MHz when high-speed mode is enabled).
The GXA535 series has 16 bit push-pull GPIO ports that can directly drive LED components. Each bit of the GPIO port can be individually configured as an input or output mode, where power on is assumed to be the input mode.
GXA555 has a built-in weak pull-up resistor that assigns a default high level to each GPIO port. GXA539 has a low effective reset input pin.


Ordering Information
| Purchase Number | Device | Package | SPQ | Note |
| GXA535U-T&R | GXA535U | TSSOP (24) | 4000 | Tape&Reel |
| GXA535WQ-T&R | GXA535WQ | WQFN (24) | 4000 | Tape&Reel |
| GXA539U-T&R | GXA539U | TSSOP (24) | 4000 | Tape&Reel |
| GXA539WQ-T&R | GXA539WQ | WQFN (24) | 4000 | Tape&Reel |
| GXA555U-T&R | GXA555U | TSSOP (24) | 4000 | Tape&Reel |
| GXA555WQ-T&R | GXA555WQ | WQFN (24) | 4000 | Tape&Reel |
Product Parameters
| Function | I2C GPIO Extension | Communication | I2C |
|---|---|---|---|
| Operating voltage | 1.6V-5.5V | Operating Temperature | -40℃~+85℃ |
| Number of GPIO | 16 | Maximum communication rate | 2MHz |
| Standby current | 0.5μA | Package form | TSSOP24L,QFN24L |
| Other functions | There is a reset input pin |

